Ga naar Gerards page / go to Gerards other pages ---->>> ![]()

Refurbishing a Tandberg TA300 amplifier, summer 2025



This TA 300 is for sale in the Netherlands, fixed price 300 Euros, cash and Local Pickup Alkmaar area as I do NOT ship,
I only answer if you provide your phone number also, see the moving mail address on my main page.
Gemakshalve is deze pagina alleen in het Engels geschreven.
This page was written using English language only.
My Tandberg TA300, finished August, 2025 .

The Tandberg TA-300 is a rather small sized amplifier, having the old style DIN inputs and outputs.
I bought this one as defective, having one channel not working.
The defect itself was one of the big capacitors feeding the loudspeakers failed open, after testing using another capacitor it simply worked.
The plan was to refurbish it, so the defect did not make any difference, but it was good to know beforehand, the restoration would be successful in the end.
The idea was to put in new or newer capacitors, metal film resistors instead of the carbon ones, and replace the press-fit old transistors.
All potentiometers and switches needed a checkup for continuity one by one.
This page is written for fellow techs interested in reviving this particular amplifier, it assumes technical knowledge.

![]()

Some observations before taking everything apart:
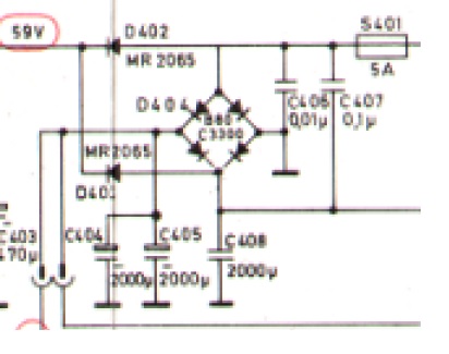
The first thing puzzling me was the power supply, as it was drawn in the schematic. In the end, there are TWO 2200 microfarad capacitors as main smooting capacitors, not three.
Apart from that, there is a drawing error, the bridge rectifier (drawn as 4 diodes) should be drawn 90 degrees clockwise. Fortunately, it is a drawing error only, otherwise the amplifier would never work...
Furthermore, everything looks pretty straightforward, and not much surprises are to expected.
See the following picture shows the erratic piece of the power supply drawing: (the most right 2000uF capacitor is the one which is not there)

![]()


The main amplifier transistors.

The Voltage amp transistor in the main amps has an odd Motorola partnumber, it is an SPS5384. Noteworthy is this is supposed to be the same as a BD529, according the "radiomuseum" site.
The big output transistors are of the original Motorola type MJE2955 and MJ3055.
Fortunately, I had an extra set of output transistors, as one MJE3055 was bad. As Tandberg used a specific way of mounting them, replacements are very expensive, as TO220 substitutes do not fit. Other manufacturers make TO-220 ones only, having the leg too narrow to fit the connector sockets Tandberg used.
One MJE3055 had an extremely low HFE of 5, the other one was barely within specs but at least the HFE graph was tilted upward on my DCA75 tester,
One MJE3055 was used from the other set of transistors I had. (these came from a butchered Huldra 10, it was sold to me appearing having defective tuning meters, so it was considered not worth repairing)
If NOT wanting to modify the mounting, one has to use Motorola ones. This because of the legs width needs to be aligned with the sockets. Apart from that, the aluminium cover plated presses against the temperature pickup transistor for quiescent current regulation, so thickness is aligned, too.
On the picture on the right the aluminium plate can be seen in between the green amplifier output capacitors.


![]()


Restuffing the circuit card.
Several electrolytic capacitors were checked, it looks that most are detriorating, except for the Frako ones having a double seal.
After removing most parts, the potentiometers were cleaned and checked, they were all good. One of the switches acted up, it did get some extra spray, it was checked working again before soaking the whole pcb in water and soap. A slight amount of Kontakt 61 was used on each potentiometer, the switches were not treated as they are hardly used.
Replacing electrolytics, I standardize a bit on 220uF Panasonics, having many ot them, if considered appropriate.
Some electrolytics are replaced by film capacitors. The two big amplifier output capacitors are smaller now and have no cap and metal fixing anymore.
All small signal resistors are replaced by metal film ones. With the exception of bc 556 and bc 546 in the main amp, all (npn) small signal transistors are of the BC549 type.

Restuffed:

![]()

Various pictures of the now good sounding amplifier.




![]()



Ga naar Gerards page / go to Gerards other pages ---->>> ![]()
